美しい信州と自作真空管ラジオの掲示板

24344
  長らく使わせていただいた、GMOtracup掲示板のサービスが2022年7月にサービス終了となりました。2年ほど、ホームページに掲示板が無いままでしたが、2024(R06)年8月から、EC2版で掲示板を再開しました。  掲示板が無かった期間はホームページ更新も休止していたので、この間の記録も少しづつ掲示板に追加する予定です。
名前
件名
メッセージ
画像
メールアドレス
URL
文字色
編集/削除キー (半角英数字のみで4~8文字)
プレビューする (投稿前に、内容をプレビューして確認できます)

OneDriveの機能が怪しい その2 - 管理人の竹内

2026/04/08 (Wed) 21:48:41

OneDriveはどうなんでしょう?・・・
 ネット検索でもOneDrive解除方法が複数ありますし。

一応、今時点で手動で読み込めるファイルを救出してます。

1、サブパソコンのOneDrive設定を解除します。
2、デスクトップにショートカットがあるものは"名前を付けて保存"でコピーを取ります。  
3、ショートカットしてないものは直近(3か月前)のバックアップから救出します。

 なんとか日ごろ使っていたデーターはUSBメモリーに救出。

 私は、管理工学のリレーショナルデーターベースの桐9を使っています。
  例えばマイカーの履歴や経費、自作ラジオなどの経緯など友好です。
  さすがのμソフトでも桐9の拡張子は見逃したようです。

 今のところファイルは9GBあります。過日なんかデスク容量が不足とでました。
 無料の5GBを使い切ったのでしょうか。

  カウンタ 24303


OneDriveの機能が怪しい - 管理人の竹内

2026/04/07 (Tue) 10:07:06

 先月下旬、データーのファイルが怪しいのに気が付きました。
今まではエクスプローラーで立ち上げるファイルのクリックで
アプリが起動していたのに、『ファイルが見つからい』・・。

 確かにファイルが無い。One何某が、勝手にPC内部のデーター
をクラウドに盗み取り、PCのデーターを削除しているらしい。

 WiFiを切断し、バックアップしていたファイルを書き戻しで
終了かと思っていたら、ちょっとした隙に削除されてしまった。

 3,4回ほどやり直して、何とかバックアップを書き込めたけど
毎回これをするのは・・・・困ったもんだ。

 クラウドからデーター漏出があったらどうするんだろね。

re:Re: re:Re: 巻線付アンテナコイル - 管理人の竹内

2026/03/26 (Thu) 23:06:34

竹内さん

>先生が「導体に空気の泡があるからと」も言ってました、これが正解でしょうか

 すみません。金属材料は知識が無いのでわかりません。
 ただ、推測ですがエナメル線の導体に空気の泡ができることは無いと思います。



カウンタ 23965

  

Re: re:Re: re:Re: 巻線付アンテナコイル - 竹内

2026/03/27 (Fri) 16:50:07

お世話様です
つまらない疑問に回答頂き恐縮です
電線の気泡は好奇心で断線したトランスを分解し故障モードを調べたとき
断線箇所に卵状の気泡跡がありそれ以来固く信じてました、理論に基づかない素人考えでした
記憶が不確かですが電気主任技術者の勉強中に似たような記述を勝手に解釈した可能性があります
既に55年も前の出来事です、記憶のインデックスは再構築不能状態、歳ですね

ありがとうございました

re:Re: 巻線付アンテナコイル - 管理人の竹内

2026/03/25 (Wed) 00:08:51

同じく竹内です さん    レスが遅くて申し訳ありません。

>現在での評価は製造工程の不備で断線とありますがどうなんでしょうか?

  私は『製造工程の不備』が主な原因と理解しています。 
   1. 後日エナメル線を腐食、錆びさせる“糸ハンダ”や”ペーストを使った。
   2. コスト削減のためギリギリの細いエナメルを使わざるを得なかった。
     DC電流の使用下なので電蝕に耐えられなかった・・・・など。

 >『高周波による断線だ』は初めて聞きましたので分かりません。


 私は1回だけ出力トランスの断線を経験した記憶があります。大昔、ラジオ少
年の頃、新品で買った16cmのスピーカーの裏に付いていたOPTが断線しました。
 昔は出力トランスのコイルだけが店頭にあり無事修理できました。


 蛇足ではありますが、昔の”低周波トランスの断線と性能”のコメントです。
   (出典は無線と実験別冊 401回路集)

 『しかし、この回路の音質を良くしようとして高級な低周波トランスを用いると、
低音がまさってアナウンスの明瞭度が悪くなった。できるだけ安物のインダクタン
スの少ないトランスに限ったが、それはまたそれなりによく切れてこまったもので
あった。
 いまでこそ低周波トランスの断線は珍しいもののように思われているが、その当
時は実によく切れて困ったものである。梅雨どきなど決まって切れ我々の乏しい財
布・・・』、とありました(出力トランスでなく低周波トランスを指しているかも)。

Re: re:Re: 巻線付アンテナコイル - 竹内

2026/03/25 (Wed) 16:30:13

ご丁寧な説明ありがとうございます
そうですね、近年製造のトランスには断線がありませんね
事象には時代背景がある事を改めて認識しました
なお、先生が「導体に空気の泡があるからと」も言ってました、これが正解でしょうか

スーパーラジオのAF段に高周波漏れ皆無で聞いてます、先生の教えどうりに

私はラジオ深夜便をバックロードホンで聞いてる近所迷惑なジジイです
原稿が擦れる音、マイクをミュートした感じ、ゲストが対面に座ってる空気感、最高です

つまらない事書き込んでしまいました、嬉しくて

巻線付アンテナコイル - 管理人の竹内

2026/02/21 (Sat) 17:05:57

【投稿試験】

 巻線付きアンテナコイルの回路図

Re: 巻線付アンテナコイル - 同じく竹内です

2026/03/23 (Mon) 19:41:17

お世話様です
不躾ですがアドバイス頂ければ幸いです

古いストレート及びスーパーにおいてアウトプットトランス一次側断線が見受けられます
小生が高校生の時先生は『高周波による断線だ』と言い切ってました
アウトプットトランス一次側のコンデンサは高周波の逃しであり高音補正じゃない、と

現在での評価は製造工程の不備で断線とありますがどうなんでしょうか?

LUX753 - 管理人の竹内

2026/02/20 (Fri) 15:21:17

【投稿試験】

LUX753の回路図

カーラジオ用 - 管理人の竹内

2026/02/14 (Sat) 14:23:40

私もカーラジオ用12V管でラジオを作りました。

高周波増幅を付け終段の音声出力はプッシュブルにしました。
 スペースチャージ管の12AL8の出力は40mWでもプッシュプルだと卓上なら十分実用になります。
 12V電源はパソコンモニターのACアダプターです。
 ACアダプターからの雑音はありませんでした。

 製作時のホームページのURLです。 https://sin454.life.coocan.jp/page076.html#12VradioVer2
 回路図も付けましたが、サイズを圧縮しすぎて一部欠損してしまいました。ご笑覧ください。

 カウンター 22,600

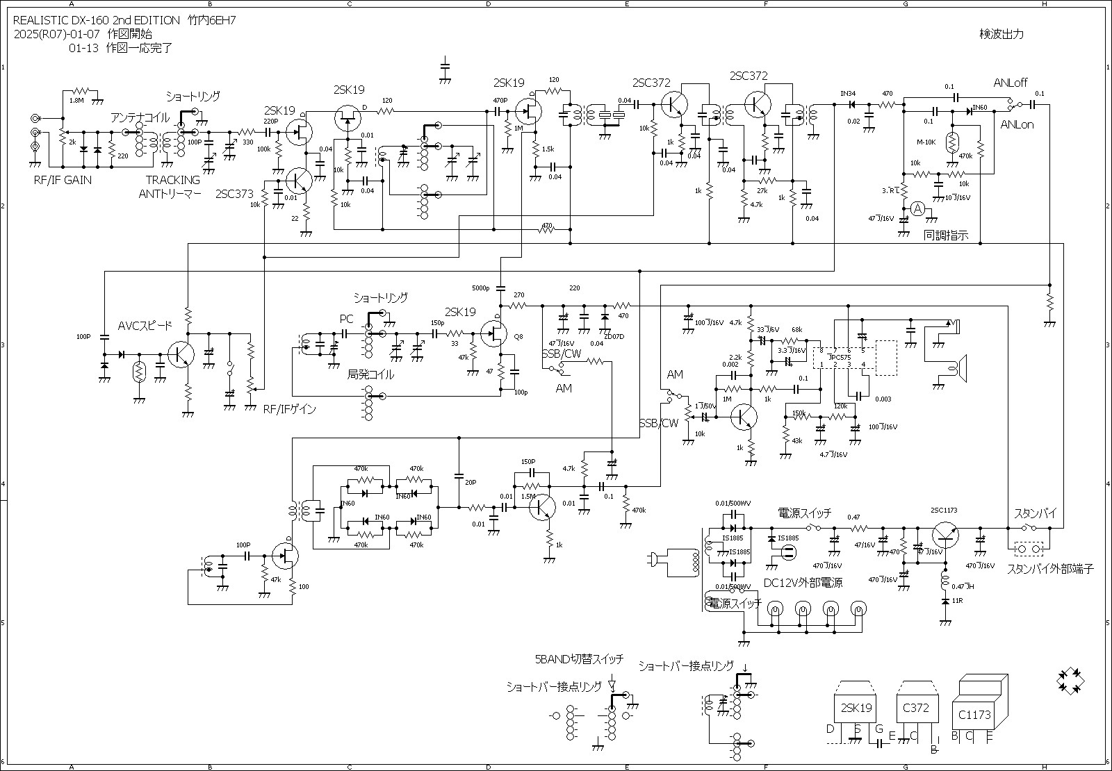
トラッキング調整 - 管理人の竹内

2026/01/05 (Mon) 11:04:41

スーパーラジオのトラッキング調整

 多分10台以上スーパーを作りましたが、一発で完璧に調整できたのは2、3台。何とか満足できたのが5,6台。どうしてもダメで、高級なコイルパックを捨てて単バンドにしたものもあります。

 ニキシー管IN-9をマジックアイにしたラジオ https://sin454.life.coocan.jp/page157.html

ラジオ工房掲示板投稿ラジオは、幸いなことに(?)100分割のバーニアダイアル(!)。ならば・・・・
1、パッディングコン(PC)で530kHzから1,700kHzが受信できるようにします(フェライトアンテナらしいのでコイルはフェライトコアの1/3ほど。PCで合いそうなければコイルを移動します)。

2,バリコンの二つのとリーマーコンデンサの調整は,スター製とトリオ製で取説の説明が異なっていますがここはラジオ雑誌の記事を基にします。

3,1,400kHzを受信して局発バリコントリマーで最大にします。

4,600kHzにしてバリコンのアンテナ側とリーマーで最大にします。

5, これを数回繰り返して完了です。


 (ガラスのダイヤル目盛板のトラッキングは難しいです。ラジオ用周波数カウンタに感謝です)


謹賀新年 - 管理人の竹内

2026/01/01 (Thu) 00:00:05

 明けましておめでとうございます。



 カウンタ 21560

『一晩眠れば治る』パソコン - 管理人の竹内

2025/12/15 (Mon) 09:25:37

先の投稿の我が中古パソコン君、『一晩眠れば治る』が再発しました。
  (ラジオの組立同様に簡単なメモを残していますので)

 症状は全く同じです。十数年昔のパソコンなので、前のオーナーの何かはないと思います。デバイスマネジャーを見るとUSBにバッチリ"!" が付いています。

 不思議なのは、Windowsに付随している"信頼性モニター" の履歴に表れていないのです。信頼性モニターは結構細かいところまで検出しているので不思議です。

 カウンタ 20958


 

NEC PC-MK26(NECmate)パソコン - 管理人の竹内

2025/12/12 (Fri) 18:33:55

このパソコンはサブとして10年ほど前に買った中古パソコンです。DSP版でWINDOWS10をインストールしました。
 二、三年後家を隣地に建直したので、旧宅のラジオ工作室に置いていたので、ほぼ使わなかったです。
 Wi-Fiも隣どうしなので何とか10Mでつながりましたが、中継ハブも追加していました。


 先日、新居に持ち帰り、CPU切替器を経由して動作確認しました。
 数日後、ついでに古いパソコンを中継器につないだのが原因なのか、マウスが認識されなくなりました。PCI、USBソケット全て認識しません。

 何かの具合でマウスを認識した時、試しに"システムの復元" をしたところdataはもちろん設定もokでした。

 ところが数日後、今度は【Wi-Fiが受信されません】。
 子機を換えたり、親機をリセットしてもダメです。
  ほかのPCやTVは正常です。
 タスクマネージャーをみると受信していません。

 さらに不思議なことには、翌朝になったらWiーFiが戻っていました。
 
 現在、このパソコンから投稿しています。
 

NEC PC-MK26(NECmate)パソコン - 管理人の竹内

2025/12/02 (Tue) 15:53:24

NEC PC-MK26(NECmate)パソコン 
  11月上旬にマウスドライバーエラーのパソコンです。
  10年ほど前に買った2011年8月製造の中古パソコンです。
  NEC-PC9821はHDDセクター不良が連発するので復旧は中止し代わりにこのパソコンを復旧することにしました。

周波数変換管の発振グリッド電圧 - 管理人の竹内

2025/12/01 (Mon) 16:34:22

ラジオ工房掲示板の投稿の関連です。

 出典は無線と実験別冊401回路集209ページからです。


 ・・・それまでは、発振バリコンのステーターにドライバーの先きなどを触れ、カリ、カリいえば発信は完全と思えから、発振グリッド電流が500μAあれば局発はokと思え・・・。

 ・・・しかしその反面、なんでもかでも500μA至上主義が横行しカソードタップをうんとあげたり、スクリーングリッド電圧を下げた、いさましいコイルも現れた・・・。


 増田さんが投稿されている6BE6も納得です。

 私もスーパーヘテロダインは完成したら局発グリッド電圧を各バンド毎バリコンを回して測っています。
 中波帯は-5Vを超えますが短波帯は-3Vほどです。

 なお、この文章は過日作った、7S7ロクタル周波数変換管ラジオの発振コイルに関連した解説文の続きでもあります。 

真空管ラジオ vs PC-9821 - 管理人の竹内

2025/11/29 (Sat) 22:03:47

BASICプログラムリストを拝見してパソコン復帰に火が付きました。

 びっくりしたのは、goo検索すると"真空管ラジオ"より"PC-98"サイトが桁違いにヒットします。
 私もホームページが生きていれば加わりたいのに残念です。

 PC-98の致命的なのはストレージ(記録媒体)です。我が家のパソコンもセクターエラーが発生してきました(おおよそ30年ほど50℃近い屋根裏だったり-10度の物置に置かれていたのにいきなり通電してしまいました)。

 さすが国産品です。チャイナ製では発煙・発火するかブレーカー飛ぶかダンマリでしょう。

外付スーパーディスクドライブのカードでした - 管理人の竹内

2025/11/29 (Sat) 15:05:16

嶋村さんのページから回答をいただきました。

外付スーパーディスクドライブのカードでした
 ご回答のコピーです。

Re: このデバイスは何でしょうか - 嶋村 New
インターフェースボードですか。なるほど。
https://panasonic.jp/p3/products/LK-RM120ZD.html
確かに、昔、MS-DOS、Windows初期あたりに、そんな危機があったような。
そう言えば、MDとかも、もう、過去の遺物ですよね。

このデバイスは何でしょうか その2 - 管理人の竹内

2025/11/28 (Fri) 16:15:29

メディアの裏面です。


【編集です。"スーパードライブ"と記載しましたが、メディアには"SUPER DISK" とありますので、"スーパーディスク" と読み替えてください。申し訳ありません】

【編集2 当該DOS/V自作機は物置にあるはずですがサルベージは困難です】

スーパードライブ - 管理人の竹内

2025/11/28 (Fri) 14:59:28

スーパードライブ

 今から30年ほど昔、パソコンの自作がはやりました。

 私もパソコン自作を楽しんでいました。パーツの一つである"スーパードライブ"も組み込んでみました、
  当時、どのようなパーツの組込図を描いていました。

 写真の下のペーパーの右下パネル前面図にスーパードライブ組込ベイが記載されています。

このデバイスは何でしょうか - 管理人の竹内

2025/11/28 (Fri) 14:46:46

NEC PC-9821で楽しんでいます。

 パソコンのパーツの段ボール箱から写真のパーツがありました。

 写真の左上は3.5"フロッピー
左下はMOメディア
右上が質問したものです
右下はスーパードライブ(120M)のメディア
 
老齢も重なり、このデバイスの入手、用途など全く記憶がありません。

 パーツ本体のラベルはPanasonic製 LS-120とあります。

 ネット検索すると"LS-120" はスーパードライブがあります。
  スーパードライブのメディアは写真のにあります。

30年前のFDDが読めました - 管理人の竹内

2025/11/27 (Thu) 18:20:06

先の投稿のGFの取説と3.5"FDDが出てきました。
 全てではないですが読めました(書き込み試験は未だです。なぜか新品未使用の3.5"ドライブもありました。多分PC-9801VM時代に購入したものです)。

 3.5"はありましたが5"FDDが見つかりません・・・・。
  多分5"ドライブ機が無いのですべて廃棄したかも。
  pc98の5"ドライブの"カチャ"、、"カチャ"音が良かったな。

GF(Graphics File Utillty) - 管理人の竹内

2025/11/27 (Thu) 11:45:01

PC9821には先日投稿したSELEX WINDOWSを組み込んでいます。

 このソフトは非常に多機能使い易いものでした。例えば
 ① 増設RAMを拡張設定
 ② お気に入りのFEP(日本語変換)を組み込む
 ③ 圧縮保存したdataファイルを増設RAM上に解凍
    (この当時FDDに保存したdataを持帰り自宅残業有りだったので)
 ④ 作業アプリを起動してdata処理
 ⑤ 作業終了でアプリを閉じる
 ⑥ 増設RAM上のdataを圧縮して保存して作業終了

  (当然DOSなのでBATファイルを作れば上記ができます)
 
 写真はオーツー社製の"GF(Graphics File Utillty)"です。  
  DOSホルダーと内部ファイルを見ています。winのエクスプローラーと同じです。
   その下のFEPは下にあるFEPを自由に使えます("刀"、"松茸"懐かしいな・・・)

   別ページには大戦略Ⅳの武器dataがあります。当然、我軍は書き変えた軍備なので"潜水艦
   が敵地上軍を壊滅し、テレビアニメの変身ロボット軍は敵軍の強固な要塞を一撃で・・・・"】

   

 


Copyright © 1999- FC2, inc All Rights Reserved.